Si SENSOR INDUSTRY CO.,LTDApplication Fields for SI Sensors

Si NTC SENSORS FOR ST SERIES, SH SERIES AND SF SERIES ( PAGE 1 , 2 , 3 , 4 )

SR Series/ SP Series / SC Series / SS Series / SN Series / SM Series / ST Series / SH Series / SF Series /

G. ST Series (T-Shape Bracket Cap Encapsulated Sensor)
¢ÅST1 Type

ST1 TYPE

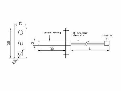
ST1 TYPE DWG

Characteristics:
Stainless steel shell, Enduring high temperature, Reliable performance

Application:
Roast tunnel, Baker, Water heater, Microwave oven, Toast machine, Roast machine

Technical Parameter:
Working temperature range: -40~250¡æ
Thermal time constant: <30s
Dissipation coefficient: 4.2Mw/¡æ
(Special requested Resistance, B value and Tolerance could be offered)

G. ST Series (T-Shape Bracket Cap Encapsulated Sensor)
¢ÆST2 Type

ST2 TYPE

ST2 TYPE DWG

Characteristics:
Stainless steel shell, Enduring high temperature, Reliable performance

Application:
Roast tunnel, Baker, Water heater, Microwave oven, Toast machine, Roast machine

Technical Parameter:
Working temperature range: -40~250¡æ
Thermal time constant: <30s
Dissipation coefficient: 4.2Mw/¡æ
(Special requested Resistance, B value and Tolerance could be offered)

H. SH Series (Non Wire Sensor)

SH SERIES1

SH SERIES2

Characteristics:
Short thermal time constant, Quick response, Enduring high temperature, Reliable performance, Easy to install

Application:
Automobile electric appliance, Water heater, Washing machine, Roast machine, Barbecue appliance

Technical Parameter:
Working temperature range: -40¡æ~150¡æ
Dissipation coefficient£¨¦Ä£©: 4.2mW/¡æ
Thermal time constant£¨¦Ó£©: £¼25s
(Special requested Resistance, B value and Tolerance could be offered)

I. SF Series (Barbecue Applied Sensor)
¢Ù SF1 Type (Single Fork Shape Barbecue Applied Sensor)

SF1 TYPE

SF1 TYPE DWG

Characteristics:
Small thermal time constant, Quick response, Enduring high temperature, Reliable performance

Application:
Roast machine, Barbecue appliance

Technical Parameter:
Working temperature range -40¡æ~250¡æ
Dissipation coefficient £¨¦Ä£©: 4.2mW/¡æ
Thermal time constant£¨¦Ó£©: £¼25s
(Special requested Resistance, B value and Tolerance could be offered)


I. SF Series (Barbecue Applied Sensor)
¢Ú SF2 Type (Twin Forks Shape Barbecue Applied Sensor)

SF2 TYPE A

SF2 TYPE B

Characteristics:
Small thermal time constant, Quick response, Enduring high temperature, Reliable performance

Application:
Roast machine, Barbecue appliance

Technical Parameter:
Working temperature range -40¡æ~250¡æ
Dissipation coefficient £¨¦Ä£©: 4.2mW/¡æ
Thermal time constant£¨¦Ó£©: £¼25s
(Special requested Resistance, B value and Tolerance could be offered)

Si | Home | Site Map | Email Us | English | Chinese | Copyright © 201 8 SiSanhui Sensor Co,.Ltd All Rights Reserved
»¦ICP±¸08024105ºÅ